Feedhorn Invacom ADF 120 & Ožarovač Kovosat 90-120-140 : Výroba ožarovača pre stredové antény_výkresová dokumentácia

By Roman Dávid ,

Invacom-prime focus-feedhorn-adf-120-dimension-start




► Q & A _ Téma : Rozmery ožarovačov (feedhorns) pre stredové (prime focus) antény


Pán Vavra prispieva výkresovou dokumentáciou do témy  "Výroba ožarovača pre stredové antény"
 
 

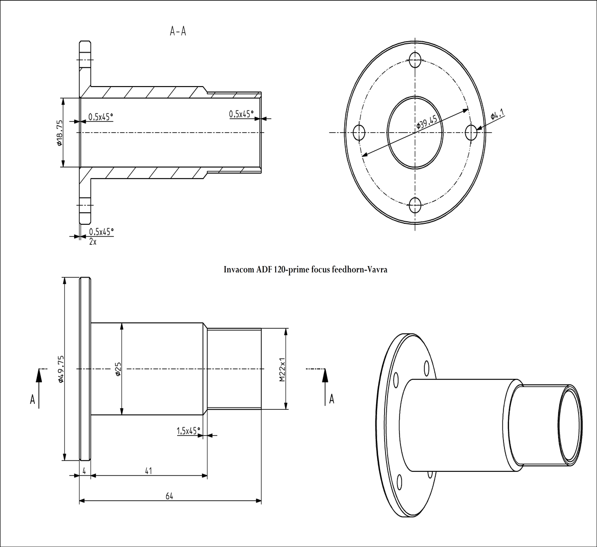
a,Feedhorn Invacom ADF-120_dimensions: Rozmery ožarovača pre stredové antény










 

     Invacom-prime focus-feedhorn foto-Vavra-Skalica-01       Invacom-prime focus-feedhorn foto-Vavra-Skalica-consulting-002              Invacom-prime focus-feedhorn foto-Vavra-Skalica-consulting-003           

                                                                                    invacom-adf-120-prime-focus-feedhorn-mechanical-drawing                    
                                                invacom-adf-120-prime-focus-feedhorn-mechanical-drawing-4960x3507                                                                                                   


 
 

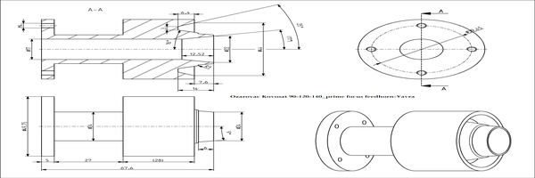
b,Ožarovač Kovosat 90>140_výkres : Rozmery ožarovača nielen pre antény typu Kovosat 



                           kovosat-90-120-140-prime-focus-antenna-feedhorn-vavra-consulting-01-n     

                                                                                  kovosat-90-120-140-prime-focus-antenna-feedhorn-ozarovac            
                                                                    kovosat-ozarovac-výkres-rozmery-4960x3507